
19.12.2018
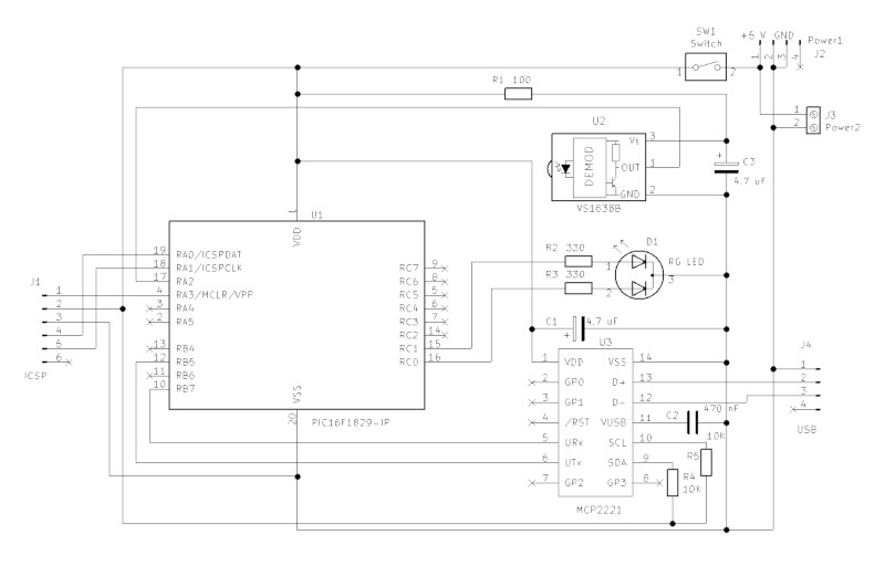
Zařízení bude napájené 5 volty z PC zdroje - k tomu slouží jednak 4 pinová lišta (J2) plus v případě potřeby svorkový konektor (J3). Na další 4 pinovou lištu (J4) se nasadí kablík, který bude na druhém konci připojený do USB slotu na základní desce PC. A nakonec je tu 6ti pinová lišta (J1) jako ICSP konektor pro připojení programátoru - ponechal jsem možnost kdykoli upravit program.
Červeno-zelená dioda informuje uživatele o stavu zařízení. Po připojení napájení se dioda rozsvítí červeně. V této chvíli se čeká na informaci od programu běžícího v PC, že je schopen komunikovat. Pokud po seriové lince přijdou očekávaná data, dioda se rozsvítí zeleně a zařízení začne monitorovat výstup IR přijímače. Jakmile je přijat kód z dálkového ovladače, dioda krátce červeně problikne a data jsou předána do PC.